MARS GDF 200, Вентилятор центробежный канальный D 200
Канальные центробежные вентиляторы MARS предназначены для приточно-вытяжной вентиляции помещений, жилых и общественных зданий. Вентиляторы MARS имеют широкий диапозон типоразмеров, и предназначены для установки в круглых каналах.
- Корпус вентилятора изготовлен из стали с полимерным покрытием. Оснащен однофазным двигателем с внешним ротором.
- Рабочее колесо с имеет загнутые назад лопатки и изготовлено из пластика.
(У моделей Mars 250 и Mars 315 рабочее колесо изготовлено из металла). - Регулировка скорости вращения возможна с помощью бесступенчатого симисторного регулятора. Подача электропитания на вентилятор осуществляется через наружную клеммную коробку.
- Монтаж к стене осуществляется с помощью крепежа, который входит в комплект вентилятора.
Вентиляторы рассчитаны на продолжительную работу без отключения от сети. По типу защиты от поражения электрическим током вентиляторы MARS относятся к приборам класса I по ГОСТ 12.2.007.0-75 и должны быть заземлены.
Степень защиты от доступа к опасным частям и проникновения воды IPX4.
Вид климатического исполнения вентилятора УХЛ 4.2 по ГОСТ 151590-69

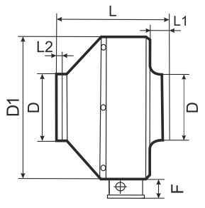
| Модель | D | D1 | L | L1 | L2 | F |
| Mars GDF 100 | 100 | 237 | 204 | 25 | 25 | 42 |
| Mars GDF 125 | 125 | 237 | 193 | 25 | 31 | 42 |
| Mars GDF 150 | 150 | 278 | 195 | 25 | 25 | 42 |
| Mars GDF 160 | 160 | 278 | 195 | 25 | 25 | 42 |
| Mars GDF 200 | 200 | 333 | 210 | 25 | 25 | 42 |
| Mars GDF 250 | 250 | 333 | 210 | 29 | 29 | 42 |
| Mars GDF 315 | 315 | 402 | 265 | 30 | 25 | 42 |
Пример монтажа вентилятора MARS

1. Анемостат вытяжной (АВП)
2. Круглый воздуховод (ВП)
3. Соединитель плоского воздуховода с фланцевыми воздухораспределителями (СКФП)
4. Соединитель плоского воздуховода с выходом на фланцевые воздухораспределители (ТФП)
5. Плоский воздуховод (ВП)
6. Колено плоское горизонтальное (КГП)
7. Тройник плоский (ТПП)
8. Соединитель круглого воздуховода с плоским (СПКП)
9. Вентилятор канальный приточно-вытяжной (MARS)
10. Накладка торцевая для круглых воздуховодов (НКП)

